Your shopping cart is currently empty.
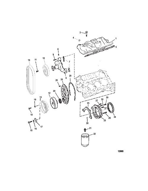
4.3L EFI (GEN+) TBI GM 262 V-6 - 0L012009 THRU 0L618999 - Intake Manifold and Front Cover
Other Sub-Sections:
- Alternator and Brackets (Delco)
- Alternator and Brackets (Mando)
- Alternator Components (Mando)
- Closed Cooling System
- Crankshaft and Pistons
- Cylinder Block and Camshaft
- Cylinder Head and Rocker Cover
- Decals
- Distributor (S-N-0L012009 - 0L359999)
- Distributor (S-N-0L360000 and Up)
- ECM and Electrical Brackets (S-N-0L012009 - 0L359999)
- ECM and Electrical Brackets (S-N-0L360000 and Up)
- Electrical Components
- Engine Mounting
- Exhaust Manifold (1 Piece)
- Exhaust Manifold and Exhaust Elbow (2 Piece)
- Exhaust System (Use With 1 Piece Manifold)
- Exhaust System (Use With 2 Piece Manifold))
- Flywheel Housing
- Fuel Filter
- Fuel Pump and Fuel Cooler
- Intake Manifold and Front Cover
- Mercathode Components
- Oil Pan and Oil Pump
- Oil Reservoir Bottle and Bracket
- Power Steering Components
- Remote Oil Filter
- Sea Water Pump (Use With Bravo Engines)
- Serpentine Belts
- Service-Support Material
- Shift Bracket (Alpha Engines)
- Shift Bracket (Bravo Engines)
- Standard Cooling System
- Starter Motor (Delco-PG260F1)
- Swiss Emissions Parts (BSO1 and SAV1)
- Throttle Body
- Throttle Linkage
- Wiring Harness (EFI)
- Wiring Harness (Engine)
| Ref # | Part Class | Part Number | Description | Comments | Qty | Note |
|---|---|---|---|---|---|---|
| 1 | 0000 | OEM: 525-824330T1 | MANIFOLD Intake | 1 | ||
| 2 | 0010 | OEM: 525-10-835004 | BOLT (.312-18 x 1.75) | 8 | ||
| 3 | 0010 | 11975 | BOLT (3/8-16 x 1.25) | 4 | ||
| 4 | 0022 | OEM: 525-22-75983 | PLUG | 1 | ||
| 5 | 0027 | 8243261 | GASKET SET | 1 | [1] | |
| 6 | 0000 | 850399 | PUMP ASSEMBLY Water | 1 | ||
| 7 | 0027 | OEM: 525-27-34897, Sierra: 676-18-0891, GLM: 700-31380 | GASKET | 2 | [1] | |
| 8 | 0022 | OEM: 525-22-48336 | PLUG Water Pump | 1 | ||
| 9 | 0010 | OEM: 525-10-32132 | SCREW (.375-16 x 1.750) | 1 | ||
| 9 | 0010 | OEM: 525-10-47688 | SCREW (.375-16 x 2.750) | 1 | ||
| 9 | 0016 | 35342 | STUD (.312-24/.375-16 x 2.5625) | 2 | ||
| 10 | 0000 | 807729T | PULLEY | 1 | ||
| 11 | 0010 | OEM: 525-10-47277 | SCREW (.312-24 x .750) | 4 | ||
| 12 | 0000 | 809892 | BALANCER Harmonic | 1 | ||
| 13 | 0000 | OEM: 530-807730T | PULLEY | 1 | ||
| 14 | 0057 | 8077552 | BELT Serpentine | (ALPHA)(STANDARD COOLING)(POWER STEERING WITH PLASTIC 4 3/4" PULLEY) | 1 | |
| 14 | 0057 | 8077551 | BELT Serpentine | (BRAVO)(STANDARD COOLING)(POWER STEERING WITH PLASTIC 4 3/4" PULLEY) | 1 | |
| 14 | 0057 | 8077556 | BELT Serpentine | (ALPHA)(CLOSED COOLING)(POWER STEERING WITH PLASTIC 4 3/4" PULLEY) | 1 | |
| 14 | 0057 | 8077553 | BELT Serpentine | (BRAVO)(CLOSED COOLING)(POWER STEERING WITH PLASTIC 4 3/4" PULLEY) | 1 | |
| 14 | 0057 | 861758 | BELT Serpentine | (ALPHA)(STANDARD COOLING)(POWER STEERING WITH METAL 5 3/4" PULLEY) | 1 | |
| 14 | 0057 | 861757 | BELT Serpentine | (BRAVO)(STANDARD COOLING)(POWER STEERING WITH METAL 5 3/4" PULLEY) | 1 | |
| 14 | 0057 | 861759 | BELT Serpentine | (ALPHA)(CLOSED COOLING)(POWER STEERING WITH METAL 5 3/4" PULLEY) | 1 | |
| 14 | 0057 | 861049 | BELT Serpentine | (BRAVO)(CLOSED COOLING)(POWER STEERING WITH METAL 5 3/4" PULLEY) | 1 | |
| 14 | 0057 | 8077555 | BELT Serpentine | (ALPHA)(STANDARD COOLING) (HYDRAULIC STEERING) | 1 | |
| 14 | 0057 | 8077555 | BELT Serpentine | (ALPHA)(CLOSED COOLING) (HYDRAULIC STEERING) | 1 | |
| 15 | 0010 | 32515 | SCREW (.437-20 x 2.50) | 1 | ||
| 16 | 0013 | OEM: 525-13-39131 | LOCKWASHER (.437) | 1 | ||
| 17 | 0012 | 35332 | WASHER | 1 | ||
| 18 | 0010 | OEM: 525-10-34352 | SCREW (.375-24 x .875) | 3 | ||
| 19 | 0012 | OEM: 525-12-34714 | WASHER | 3 | ||
| 20 | 0000 | 809893 | TIMING COVER ASSEMBLY (SCREWS, GROMMETS AND OIL SEAL ARE NOT SOLD SEPARATELY) | 1 | ||
| 21 | 0000 | 11972 | ADAPTER | (W/O REMOTE OIL FILTER) | 1 | |
| 22 | 0035 | 802884Q | FILTER Oil | (W/O REMOTE OIL FILTER) | 1 | |
| 23 | 0000 | 804910 | RETAINER Seal | 1 | ||
| 24 | 0026 | 804909 | SEAL Oil (STAMPED 12555769) | 1 | [1] | |
| 24 | 0026 | OEM: 525-26-852941 | SEAL Oil (STAMPED 12554314) | 1 | [1] | |
| 25 | 0027 | 14241 | GASKET | 1 | [1] | |
| 26 | 0010 | 14243 | BOLT (.250-20 x 1.750) | 1 | ||
| 27 | 0010 | OEM: 525-10-14242 | BOLT (.250-20 x .875) | 2 | ||
| 28 | 0017 | OEM: 525-17-14263 | PIN Dowel | 1 | ||
| 29 | 0011 | OEM: 525-11-11996 | NUT | 1 | ||
| 30 | 0016 | 148271 | STUD | 1 | ||
| - | 0027 | OEM: 525-27-807756A96 | GASKET SET Engine Overhaul | 1 |
PART NOTES:
[1] - COMPONENT OF ENGINE OVERHAUL GASKET SET 807756A96


