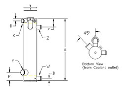
543-602416 Piggy Back-B exchangers are single pass on the shell side Piggy Back-B exchangers are single pass on the shell side, 3 pass on the tube (raw water) side. These have an integral expansion tank mounted above the heat exchanger itself - Piggy Back style. The exchanger is illustrated without a mounting bracket. We have brackets for virtually any mounting configuration. The exchanger is mounted on the bracket with cushioning material, and held in position with stainless steel clamps (sold separately). All exchangers are supplied with a zinc anode. All Raw Water and Coolant connections are beaded hose connections. Other styles and dimensions are available on request. Connection configurations may also be specified to meet your individual system requirements. Piggy Back Type B; size:4 x 16; 1348 sq in, copper tubes Type Piggy Back Type B Size 4 x 16 Area 1348 in² Diameter 4 1/8 Length 16 · HeatExchanger,
|
|
543-602416cn Piggy Back Type B, size:4 x 16, 1348 sq in, copper-nickel tubes Piggy Back-B exchangers are single pass on the shell side, 3 pass on the tube (raw water) side. These have an integral expansion tank mounted above the heat exchanger itself - Piggy Back style.
The exchanger is illustrated without a mounting bracket. We have brackets for virtually any mounting configuration. The exchanger is mounted on the bracket with cushioning material, and held in position with stainless steel clamps (sold separately). All exchangers are supplied with a zinc anode.
All Raw Water and Coolant connections are beaded hose connections. Other styles and dimensions are available on request. Connection configurations may also be specified to meet your individual system requirements.
Piggy Back Type B; size:4 x 16; 1348 sq in, copper-nickel tubes
|
|
543-602420 Piggy Back-B exchangers are single pass on the shell side Piggy Back-B exchangers are single pass on the shell side, 3 pass on the tube (raw water) side. These have an integral expansion tank mounted above the heat exchanger itself - Piggy Back style. The exchanger is illustrated without a mounting bracket. We have brackets for virtually any mounting configuration. The exchanger is mounted on the bracket with cushioning material, and held in position with stainless steel clamps (sold separately). All exchangers are supplied with a zinc anode. All Raw Water and Coolant connections are beaded hose connections. Other styles and dimensions are available on request. Connection configurations may also be specified to meet your individual system requirements. Piggy Back Type B; size:4 x 20; 1763 sq in, copper tubes Type Piggy Back Type B Size 4 x 20 Area 1763 in² Diameter 4 1/8 Length 18 · HeatExchanger,
|
|
543-602420cn Piggy Back Type B, size:4 x 20, 1763 sq in, copper-nickel tubes Piggy Back-B exchangers are single pass on the shell side, 3 pass on the tube (raw water) side. These have an integral expansion tank mounted above the heat exchanger itself - Piggy Back style.
The exchanger is illustrated without a mounting bracket. We have brackets for virtually any mounting configuration. The exchanger is mounted on the bracket with cushioning material, and held in position with stainless steel clamps (sold separately). All exchangers are supplied with a zinc anode.
All Raw Water and Coolant connections are beaded hose connections. Other styles and dimensions are available on request. Connection configurations may also be specified to meet your individual system requirements.
Piggy Back Type B; size:4 x 20; 1763 sq in, copper-nickel tubes
|
|
543-602424 Piggy Back-B exchangers are single pass on the shell side Piggy Back-B exchangers are single pass on the shell side, 3 pass on the tube (raw water) side. These have an integral expansion tank mounted above the heat exchanger itself - Piggy Back style. The exchanger is illustrated without a mounting bracket. We have brackets for virtually any mounting configuration. The exchanger is mounted on the bracket with cushioning material, and held in position with stainless steel clamps (sold separately). All exchangers are supplied with a zinc anode. All Raw Water and Coolant connections are beaded hose connections. Other styles and dimensions are available on request. Connection configurations may also be specified to meet your individual system requirements. Piggy Back Type B; size:4 x 24; 2178 sq in, copper tubes Type Piggy Back Type B Size 4 x 24 Area 2178 in² Diameter 4 1/8 Length 24 · HeatExchanger,
|
|
543-602424cn Piggy Back Type B, size:4 x 24, 2178 sq in, copper-nickel tubes Piggy Back-B exchangers are single pass on the shell side, 3 pass on the tube (raw water) side. These have an integral expansion tank mounted above the heat exchanger itself - Piggy Back style.
The exchanger is illustrated without a mounting bracket. We have brackets for virtually any mounting configuration. The exchanger is mounted on the bracket with cushioning material, and held in position with stainless steel clamps (sold separately). All exchangers are supplied with a zinc anode.
All Raw Water and Coolant connections are beaded hose connections. Other styles and dimensions are available on request. Connection configurations may also be specified to meet your individual system requirements.
Piggy Back Type B; size:4 x 24; 2178 sq in, copper-nickel tubes
|
|
543-602520 Piggy Back-B exchangers are single pass on the shell side Piggy Back-B exchangers are single pass on the shell side, 3 pass on the tube (raw water) side. These have an integral expansion tank mounted above the heat exchanger itself - Piggy Back style. The exchanger is illustrated without a mounting bracket. We have brackets for virtually any mounting configuration. The exchanger is mounted on the bracket with cushioning material, and held in position with stainless steel clamps (sold separately). All exchangers are supplied with a zinc anode. All Raw Water and Coolant connections are beaded hose connections. Other styles and dimensions are available on request. Connection configurations may also be specified to meet your individual system requirements. Piggy Back Type B; size:5 x 20; 2605 sq in, copper tubes Type Piggy Back Type B Size 5 x 20 Area 2605 in² Diameter 5 1/8 Length 20 · HeatExchanger,
|
|
543-602520cn Piggy Back Type B, size:5 x 20, 2605 sq in, copper-nickel tubes Piggy Back-B exchangers are single pass on the shell side, 3 pass on the tube (raw water) side. These have an integral expansion tank mounted above the heat exchanger itself - Piggy Back style.
The exchanger is illustrated without a mounting bracket. We have brackets for virtually any mounting configuration. The exchanger is mounted on the bracket with cushioning material, and held in position with stainless steel clamps (sold separately). All exchangers are supplied with a zinc anode.
All Raw Water and Coolant connections are beaded hose connections. Other styles and dimensions are available on request. Connection configurations may also be specified to meet your individual system requirements.
Piggy Back Type B; size:5 x 20; 2605 sq in, copper-nickel tubes
|
|
543-602524 Piggy Back-B exchangers are single pass on the shell side Piggy Back-B exchangers are single pass on the shell side, 3 pass on the tube (raw water) side. These have an integral expansion tank mounted above the heat exchanger itself - Piggy Back style. The exchanger is illustrated without a mounting bracket. We have brackets for virtually any mounting configuration. The exchanger is mounted on the bracket with cushioning material, and held in position with stainless steel clamps (sold separately). All exchangers are supplied with a zinc anode. All Raw Water and Coolant connections are beaded hose connections. Other styles and dimensions are available on request. Connection configurations may also be specified to meet your individual system requirements. Piggy Back Type B; size:5 x 24; 3237 sq in, copper tubes Type Piggy Back Type B Size 5 x 24 Area 3237 in² Diameter 5 1/8 Length 24 · HeatExchanger,
|
|
543-602524cn Piggy Back Type B, size:5 x 24, 3237 sq in, copper-nickel tubes Piggy Back-B exchangers are single pass on the shell side, 3 pass on the tube (raw water) side. These have an integral expansion tank mounted above the heat exchanger itself - Piggy Back style.
The exchanger is illustrated without a mounting bracket. We have brackets for virtually any mounting configuration. The exchanger is mounted on the bracket with cushioning material, and held in position with stainless steel clamps (sold separately). All exchangers are supplied with a zinc anode.
All Raw Water and Coolant connections are beaded hose connections. Other styles and dimensions are available on request. Connection configurations may also be specified to meet your individual system requirements.
Piggy Back Type B; size:5 x 24; 3237 sq in, copper-nickel tubes
|
|
543-602528 Piggy Back-B exchangers are single pass on the shell side Piggy Back-B exchangers are single pass on the shell side, 3 pass on the tube (raw water) side. These have an integral expansion tank mounted above the heat exchanger itself - Piggy Back style. The exchanger is illustrated without a mounting bracket. We have brackets for virtually any mounting configuration. The exchanger is mounted on the bracket with cushioning material, and held in position with stainless steel clamps (sold separately). All exchangers are supplied with a zinc anode. All Raw Water and Coolant connections are beaded hose connections. Other styles and dimensions are available on request. Connection configurations may also be specified to meet your individual system requirements. Piggy Back Type B; size:5 x 28; 3869 sq in, copper tubes Type Piggy Back Type B Size 5 x 28 Area 3869 in² Diameter 5 1/8 Length 28 · HeatExchanger,
|
|
543-602528cn Piggy Back Type B, size:5 x 28, 3869 sq in, copper-nickel tubes Piggy Back-B exchangers are single pass on the shell side, 3 pass on the tube (raw water) side. These have an integral expansion tank mounted above the heat exchanger itself - Piggy Back style.
The exchanger is illustrated without a mounting bracket. We have brackets for virtually any mounting configuration. The exchanger is mounted on the bracket with cushioning material, and held in position with stainless steel clamps (sold separately). All exchangers are supplied with a zinc anode.
All Raw Water and Coolant connections are beaded hose connections. Other styles and dimensions are available on request. Connection configurations may also be specified to meet your individual system requirements.
Piggy Back Type B; size:5 x 28; 3869 sq in, copper-nickel tubes
|
|
543-603416 Vertical exchangers are single pass on the shell side Vertical exchangers are single pass on the shell side, 3 pass on the tube (raw water) side. These exchangers have no expansion tank integrated into their design, and rely instead on an external overflow reservoir to capture coolant volumes which exceed system capacity when hot, and return them to the cooling system when it cools down. The shell is completely packed with tubing, providing the maximum heat transfer surface possible for each set of external dimensions. This exchanger is illustrated without a mounting bracket. We have mounting brackets for virtually any mounting configuration. The exchanger is mounted on the bracket with cushioning material
|
|
.jpg)
543-603416cn Vertical, size:4 x 16, 1348 sq in, copper-nickel tubes Vertical exchangers are single pass on the shell side, 3 pass on the tube (raw water) side. These exchangers have no expansion tank integrated into their design, and rely instead on an external overflow reservoir to capture coolant volumes which exceed system capacity when hot, and return them to the cooling system when it cools down. The shell is completely packed with tubing, providing the maximum heat transfer surface possible for each set of external dimensions.
This exchanger is illustrated without a mounting bracket. We have mounting brackets for virtually any mounting configuration. The exchanger is mounted on the bracket with cushioning material, and held in position with stainless steel clamps (sold separately). Support is provided under the bottom end cap. All exchangers are supplied with a zinc anode.
All Raw Water and Coolant connections are beaded hose connections. Other styles and dimensions are available on request. Connection configurations may also be specified to meet your individual system requirements.
Vertical; size:4 x 16; 1348 sq in, copper-nickel tubes
|
|
543-603420 Vertical exchangers are single pass on the shell side Vertical exchangers are single pass on the shell side, 3 pass on the tube (raw water) side. These exchangers have no expansion tank integrated into their design, and rely instead on an external overflow reservoir to capture coolant volumes which exceed system capacity when hot, and return them to the cooling system when it cools down. The shell is completely packed with tubing, providing the maximum heat transfer surface possible for each set of external dimensions. This exchanger is illustrated without a mounting bracket. We have mounting brackets for virtually any mounting configuration. The exchanger is mounted on the bracket with cushioning material
|
|
.jpg)
543-603420cn Vertical, size:4 x 20, 1763 sq in, copper-nickel tubes Vertical exchangers are single pass on the shell side, 3 pass on the tube (raw water) side. These exchangers have no expansion tank integrated into their design, and rely instead on an external overflow reservoir to capture coolant volumes which exceed system capacity when hot, and return them to the cooling system when it cools down. The shell is completely packed with tubing, providing the maximum heat transfer surface possible for each set of external dimensions.
This exchanger is illustrated without a mounting bracket. We have mounting brackets for virtually any mounting configuration. The exchanger is mounted on the bracket with cushioning material, and held in position with stainless steel clamps (sold separately). Support is provided under the bottom end cap. All exchangers are supplied with a zinc anode.
All Raw Water and Coolant connections are beaded hose connections. Other styles and dimensions are available on request. Connection configurations may also be specified to meet your individual system requirements.
Vertical; size:4 x 20; 1763 sq in, copper-nickel tubes
|
|
543-603424 Vertical exchangers are single pass on the shell side Vertical exchangers are single pass on the shell side, 3 pass on the tube (raw water) side. These exchangers have no expansion tank integrated into their design, and rely instead on an external overflow reservoir to capture coolant volumes which exceed system capacity when hot, and return them to the cooling system when it cools down. The shell is completely packed with tubing, providing the maximum heat transfer surface possible for each set of external dimensions. This exchanger is illustrated without a mounting bracket. We have mounting brackets for virtually any mounting configuration. The exchanger is mounted on the bracket with cushioning material
|
|
.jpg)
543-603424cn Vertical, size:4 x 24, 2178 sq in, copper-nickel tubes Vertical exchangers are single pass on the shell side, 3 pass on the tube (raw water) side. These exchangers have no expansion tank integrated into their design, and rely instead on an external overflow reservoir to capture coolant volumes which exceed system capacity when hot, and return them to the cooling system when it cools down. The shell is completely packed with tubing, providing the maximum heat transfer surface possible for each set of external dimensions.
This exchanger is illustrated without a mounting bracket. We have mounting brackets for virtually any mounting configuration. The exchanger is mounted on the bracket with cushioning material, and held in position with stainless steel clamps (sold separately). Support is provided under the bottom end cap. All exchangers are supplied with a zinc anode.
All Raw Water and Coolant connections are beaded hose connections. Other styles and dimensions are available on request. Connection configurations may also be specified to meet your individual system requirements.
Vertical; size:4 x 24; 2178 sq in, copper-nickel tubes
|
|
543-603520 Vertical exchangers are single pass on the shell side Vertical exchangers are single pass on the shell side, 3 pass on the tube (raw water) side. These exchangers have no expansion tank integrated into their design, and rely instead on an external overflow reservoir to capture coolant volumes which exceed system capacity when hot, and return them to the cooling system when it cools down. The shell is completely packed with tubing, providing the maximum heat transfer surface possible for each set of external dimensions. This exchanger is illustrated without a mounting bracket. We have mounting brackets for virtually any mounting configuration. The exchanger is mounted on the bracket with cushioning material
|
|
.jpg)
543-603520cn Vertical, size:5 x 20, 2605 sq in, copper-nickel tubes Vertical exchangers are single pass on the shell side, 3 pass on the tube (raw water) side. These exchangers have no expansion tank integrated into their design, and rely instead on an external overflow reservoir to capture coolant volumes which exceed system capacity when hot, and return them to the cooling system when it cools down. The shell is completely packed with tubing, providing the maximum heat transfer surface possible for each set of external dimensions.
This exchanger is illustrated without a mounting bracket. We have mounting brackets for virtually any mounting configuration. The exchanger is mounted on the bracket with cushioning material, and held in position with stainless steel clamps (sold separately). Support is provided under the bottom end cap. All exchangers are supplied with a zinc anode.
All Raw Water and Coolant connections are beaded hose connections. Other styles and dimensions are available on request. Connection configurations may also be specified to meet your individual system requirements.
Vertical; size:5 x 20; 2605 sq in, copper-nickel tubes
|
|