Your shopping cart is currently empty.
350 Mag Alpha GM V-8 1986-1987 - Serial 0A635178 Thru 0B525981 - Starter Motor And Alternator
Other Sub-Sections:
- Alternator (Mando)
- Alternator (Motorola)
- Audio Warning System
- Carburetor
- Carburetor And Throttle Linkage
- Crankshaft And Pistons
- Cylinder Block And Camshaft
- Cylinder Head And Rocker Cover
- Distributor And Ignition Components
- Engine Mounting (Cast Bracket)
- Engine Mounting (Stamped Bracket)
- Exhaust Manifold And Exhaust Elbow
- Exhaust System
- Flywheel Housing
- Fuel Pump And Fuel Filter
- Intake Manifold And Front Cover
- Mercathode Kit
- Miscellaneous Parts, Accessories
- Oil Filter And Adapter (New Design)
- Oil Pan And Oil Pump
- Power Steering Components
- Shift Bracket (New Design)
- Shift Bracket (Old Design)
- Standard Cooling System
- Starter Motor
- Starter Motor And Alternator
- Wiring Harness And Electrical Components
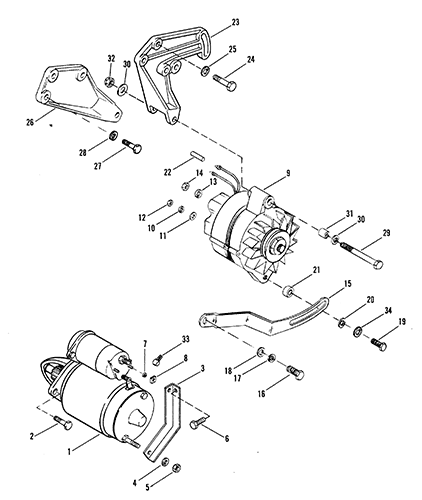
| Ref. | OEM Part # | Hardin # | Mallory # | GLM # | Other # | Description | Num Req. | Superceded From | Special Notes | |
| 1 | 50-863007A1 | 620-5399M | 676-9-15907 | 602-10099MD | STARTER MOTOR ASSEMBLY | 1 | 50-12177A2 | |||
| 2 | 10-94435001 | SCREW, STARTER MOTOR (4-21/32") | 2 | 10-94435 | ||||||
| 3 | 12404 | BRACE, STARTER MOTOR | 1 | This Part is No Longer Available | ||||||
| 4 | 12-29245 | 700-21490 |
WASHER, STARTER MOTOR STUD | 2 | ||||||
| 5 | 11-8267088 | NUT, STARTER MOTOR STUD | 2 | 11-72008 | ||||||
| 6 | 10-35765A1 | SCREW, BRACE TO ENGINE (5/8") | 1 | 10-35765 | ||||||
| 7 | 13-26995 | LOCKWASHER, STARTER TERMINAL (#8) | 2 | |||||||
| 8 | 11-26419 | NUT, STARTER TERMINAL (#8) | 2 | |||||||
| 9 | 817119A4 | 620-3186M |
676-9-19101 |
ALTERNATOR (55 AMP) | 1 | 92497A3 | ||||
| 10 | 13-26996 | LOCKWASHER, ALTERNATOR TERMINAL | 1 | |||||||
| 11 | 12-96457 | WASHER, ALTERNATOR TERMINAL | 1 | |||||||
| 12 | 11-30968 | NUT, ALTERNATOR TERMINAL (10-24) | 1 | This Part is No Longer Available | ||||||
| 13 | 13-21272 | LOCKWASHER, ALTERNATOR TERMINAL | 1 | |||||||
| 14 | 11-20890 | NUT, ALTERNATOR TERMINAL (1/4-20) | 1 | |||||||
| 15 | 85013T | BRACE, ALTERNATOR ADJUSTING | 1 | 85013 | ||||||
| 16 | 10-98261 | SCREW, ALTERNATOR BRACE | 1 | 10-27165 | ||||||
| 17 | 13-35048 | 700-21495, | 700-21493 |
LOCKWASHER, ALTERNATOR BRACE SCREW | 1 | |||||
| 18 | 12-20553 | 700-21675 |
WASHER, ALTERNATOR BRACE SCREW | 1 | ||||||
| 19 | 10-74824 | ALTERNATOR BRACE | 1 | |||||||
| 20 | 12-26168 | WASHER, ALTERNATOR BRACE SCREW | 1 | |||||||
| 21 | 23-52095 | SPACER, ALTERNATOR BRACE SCREW | 1 | |||||||
| 22 | 5790811 | TUBING, ALTERNATOR LEADS | 2 | |||||||
| 23 | 87115A1 | BRACKET, ALTERNATOR | 1 | This Part is No Longer Available W/POWER STEERING | ||||||
| 24 | 10-37612 | SCREW, ALTERNATOR BRACKET (1-1/4") | 2 | W/POWER STEERING | ||||||
| 24 | 10-34354 | 700-22447 |
SCREW, ALTERNATOR BRACEKT (1-1/2") | 1 | W/POWER STEERING | |||||
| 25 | 13-35048 | LOCKWASHER, ALTERNATOR BRACKET SCREW | 3 | W/POWER STEERING | ||||||
| 26 | 93175T | BRACKET, ALTERNATOR | 1 | This Part is No Longer Available W/O POWER STEERING | ||||||
| 27 | 10-37612 | SCREW, ALTERNATOR BRACKET (1-1/4") | 3 | W/O POWER STEERING | ||||||
| 28 | 13-35048 | LOCKWASHER, ALTERNATOR BRACKET SCREW | 3 | W/O POWER STEERING | ||||||
| 29 | 10-48308 | 700-21495 or | 700-21493 |
SCREW, ALTERNATOR (3-3/4") | 1 | |||||
| 30 | 12-20553 | 700-21675 |
WASHER, ALTERNATOR BRACKET SCREW | 2 | ||||||
| 31 | 23-33186 | BUSHING, ALTERNATOR BRACKET SCREW | 1 | |||||||
| 32 | 11-23161 | NUT, ALTERNATOR BRACKET SCREW | 1 | |||||||
| 33 | 85-79695T | INSULATOR, BOOT - STARTER TERMINAL | 1 | 85-79695 | ||||||
| 34 | 13-39107 | 700-21496 |
LOCKWASHER, ALTERNATOR BRACE SCREW | 1 |


