Your shopping cart is currently empty.
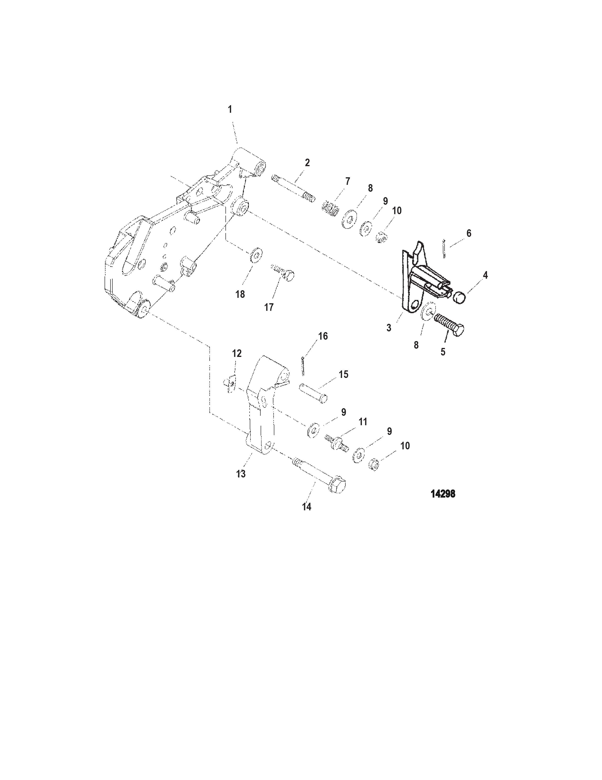
262 MAG (TBI)(GEN+) - 0F803800 THRU 0K999999 - Shift Bracket (Bravo Engines)
Other Sub-Sections:
- Alternator (Mando)
- Crankshaft And Pistons
- Cylinder Block And Camshaft
- Cylinder Head And Rocker Cover
- Distributor And Ignition Components
- Engine Mounting
- Exhaust Manifold (1 Piece)
- Exhaust Manifold And Exhaust Elbow (2 Piece)
- Exhaust System (Use With One Piece Manifold)
- Exhaust Sytem (Use With Two Piece Manifold)
- Flywheel Housing
- Fuel Filter (Fuel Cooled System)
- Fuel Pump And Fuel Cooler (Fuel Cooled System)
- Fuel Pump And Fuel Filter (VST Fuel System)
- Intake Manifold And Front Cover
- Mercathode Components
- Miscellaneous Information
- Oil Pan And Oil Pump
- Oil Reservoir Bottle And Bracket
- Power Steering Components
- Remote Oil Filter (With 16521T Adaptor)
- Remote Oil Filter (With 860091T Adaptor)
- Sea Water Pump Assembly (Use With Bravo Engines)
- Shift Bracket (Alpha Engines)
- Shift Bracket (Bravo Engines)
- Standard Cooling System (Fuel Cooled System)
- Standard Cooling System (VST Fuel System)
- Starter Motor
- Starter Motor And Alternator
- Swiss Emissions Parts (BSO1 And SAV1)
- Throttle Body
- Throttle Linkage
- Vapor Separator Tank
- Vapor Separator Tank And Fuel Lines
- Wiring Harness (EFI)
- Wiring Harness (Engine)
- Wiring Harness And Electrical Components
| Ref # | Part Class | Part Number | Description | Comments | Qty | Note |
|---|---|---|---|---|---|---|
| 1 | 0000 | 807962A3 | BRACKET ASSEMBLY Shift | 1 | [1] | |
| 2 | 0016 | 987981 | STUD (.250-20/.250-28 x 2.120) | 1 | ||
| 3 | 0000 | 123811 | RETAINER | 1 | ||
| 4 | 0023 | OEM: 525-23-98828 | SPACER | 1 | ||
| 5 | 0010 | 53167 | SCREW (.312-18 x .880) | 1 | ||
| 6 | 0018 | 32857 | COTTER PIN | 1 | ||
| 7 | 0024 | OEM: 525-24-98880 | SPRING | 1 | ||
| 8 | 0012 | OEM: 525-12-56720 | WASHER (.330 x .750 x .060) Stainless Steel | 2 | ||
| 9 | 0012 | OEM: 525-12-35462 | WASHER (.2656 x .625 x .0625) Stainless Steel | 5 | ||
| 10 | 0011 | 13438 | NUT (.250-28) | 2 | ||
| 11 | 0016 | 96112 | STUD (.250-28 x 2.00) Throttle Cable Anchor | 1 | ||
| 12 | 0011 | OEM: 525-11-63341 | TEE NUT | 1 | ||
| 13 | 0000 | 138981 | LEVER Shift | 1 | ||
| 14 | 0010 | 13743 | SCREW (.312-18 x 1.843) Shoulder | 1 | ||
| 15 | 0017 | OEM: 525-17-68402 | PIN (.250 x 1.13) Clevis | 1 | ||
| 16 | 0018 | 21071 | COTTER PIN | 1 | ||
| 17 | 0010 | OEM: 525-10-657461 | SCREW AND LOCKWASHER (.250- 20 x .625) | 3 | ||
| 18 | NA | NOT AVAILABLE Not Sold with this Model | 0 |
PART NOTES:
[1] - SUPERSEDES TO ANOTHER PART NUMBER


