Your shopping cart is currently empty.
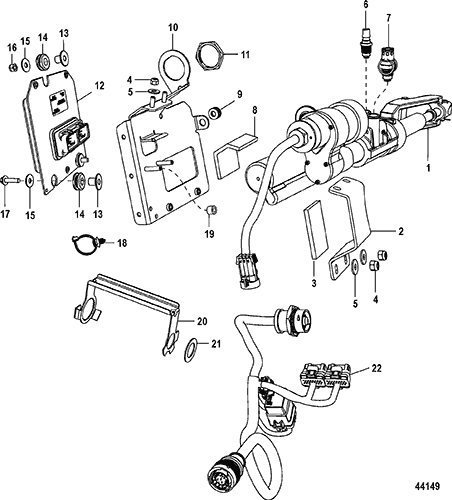
Bravo Three - Serial 0W250000 and Up - Steering Actuator, Axius (Gen II)
Other Sub-Sections:
- Bell Housing
- Compact Hydralic Steering Actuator
- Continuity Kit
- Driveshaft Housing and Drive Gears
- Gear Housing (Brave One)
- Gear Housing (Bravo Three)
- Gear Housing (Bravo Two)
- Gear Lube Monitor Components
- Gimbal Housing
- Gimbal Housing Cover
- Gimbal Ring and Steering Lever
- Gimbal Ring and Steering Lever, AXIUS Gen I
- Mercathode Kit
- Power Steering Actuator
- Special Tools-Driveshaft Housing
- Special Tools-Gear Housing (BRAVO ONE)
- Special Tools-Gear Housing (BRAVO THREE)
- Special Tools-Gear Housing (BRAVO TWO)
- Special Tools-Transom
- Steering Actuator, Axius (Gen I), Sensors Screw In
- Steering Actuator, Axius (Gen I), Sensors w- E-Clip-End Cap
- Steering Actuator, Axius (Gen II)
- Sterndrive Unit Chart, BRAVO I-II-III (Standard)
- Transom Assembly Chart
- Transom Plate and Shift Cable
- Trim Cylinder Components
- Trim Cylinders and Hydraulic Hoses (Standard Transoms)
- Trim Pump and Motor Components
- Trim Pump Assembly (Complete)
- Universal Joint and Shift Components
| Ref. | OEM Part # | Hardin # | Mallory # | GLM # | Other # | Description | Num Req. | Superceded From | Special Notes |
| - | 8M8025732 | STEERING ACTUATOR ASSEMBLY, Complete | 2 | ||||||
| 1 | 8M0047043 | STEERING ACTUATOR ASSEMBLY | 1 | ||||||
| 2 | 8M2018451 | BRACKET, TVM Clamp | 1 | ||||||
| 3 | 8M2020078 | PAD, Isolation | 1 | ||||||
| 4 | 11-401366 | NUT, (M6) Stainless Steel | 4 | ||||||
| 5 | 12-4002316 | WASHER | 4 | ||||||
| 6 | 22-865414001 | FITTING | 1 | ||||||
| 7 | 22-865415 | FITTING | 1 | ||||||
| 8 | 8M2020077 | PAD, Isolation | 1 | ||||||
| 9 | 8M2019104 | GROMMET, (.285 Inside Diameter) | 1 | ||||||
| 10 | 8M0047525 | BRACKET, TVM Mounting | 1 | ||||||
| 11 | 11-889664 | NUT, (1.500-18) Black Nylon | 1 | ||||||
| 12 | 8M0047524 | CALIBRATION, Thrust Vector Module | 1 | ||||||
| 13 | 23-856954 | BUSHING | 3 | ||||||
| 14 | 25-834985 | GROMMET | 3 | ||||||
| 15 | 12-65567 | WASHER, (.265 x .750 x .048) Stainless Steel | 3 | ||||||
| 16 | 11-401366 | NUT, (M6) Stainless Steel | 1 | ||||||
| 17 | 10-82130025 | SCREW, (M6 x 25) | 2 | ||||||
| 18 | 54-899145 | CLIP, Tie Strap | 4 | ||||||
| 19 | 23-822392 | SPACER | 2 | ||||||
| 20 | 14-879150A34 | WASHER ASSEMBLY | 1 | ||||||
| 21 | 12-8M2010068 | WASHER, (.78 x 1.25 x .05) Stainless Steel | 1 | ||||||
| 22 | 8M0047044 | HARNESS, Thrust Vector Module | 1 |


