Your shopping cart is currently empty.
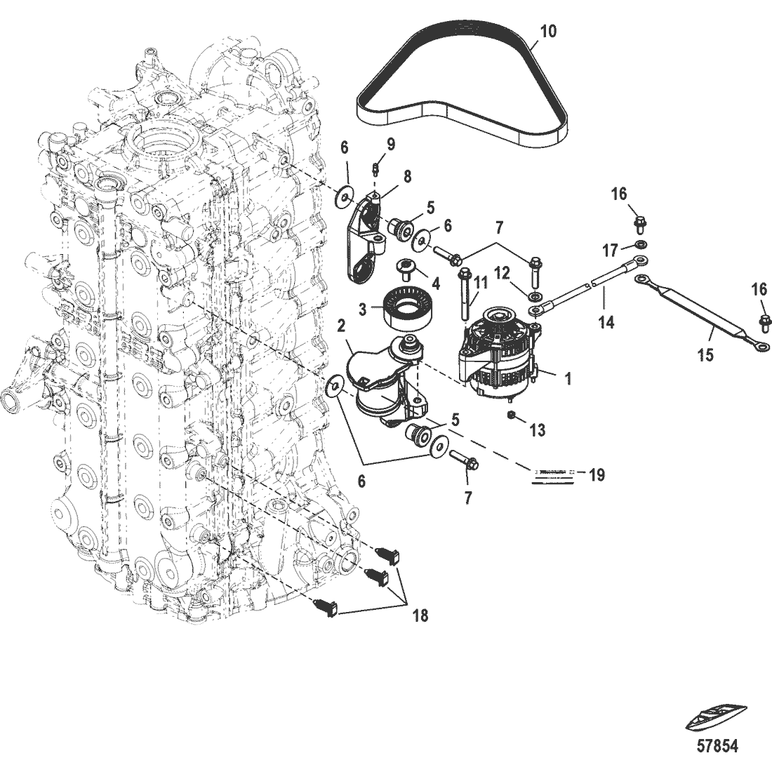
200 PRO VERADO 4-STROKE 6 CYL - Serial 2B144123 and Up - Alternator/Belt Tensioner Mounting
Other Sub-Sections:
- Accessories
- Adaptor Plate Hose Routings
- Adaptor Plate-Lower
- Alternator/Belt Tensioner Mounting
- Charge Cooler/Intake Manifold
- Charge Cooler/Intake Manifold Hose Routings
- Cowl Latching
- Crankshaft, Pistons and Connecting Rods
- Cylinder Block
- Cylinder Head and Camshaft
- Decals - Top Cowl
- Driveshaft Housing
- Electrical Box Components
- Flywheel and Cover
- Fuel Filter Kits
- Fuel Supply Module
- Gear Housing, Driveshaft, 4.80 Torpedo
- Gear Housing, Prop Shaft - Std Rot, 4.80 Torpedo
- Ground Cable Kit(899712A01)
- Induction Components
- Lower Cowl
- Mercathode Kit
- Mount Cradle
- Oil Pump/Adaptor Plate-Upper
- Port Cylinder Block Components
- Power Trim Components
- Power Trim/Transom Assembly
- Powerhead Gasket Set Components
- Pump Kit-Power Steering(4 thru 24 Feet)
- Rear Cowl
- Starboard Cylinder Block/Oil Cooler
- Starter Motor
- Steering Helm Kit-Standard (892557A02, 892380A02, 892558A02)
- SuperCharger
- Tools
- Top Cowl
- Upper Shift Components
| Ref. | OEM Part # | Hardin # | Mallory # | GLM # | Other # | Description | Num Req. | Superceded From | Special Notes |
| 1 | 892940T02 | ALTERNATOR | 1 | ||||||
| 2 | 8M0101707 | BELT TENSIONER | 1 | ||||||
| 3 | 8M6003035 | PULLEY | 1 | ||||||
| 4 | 10-885349501 | SCREW | 1 | ||||||
| 5 | 23-855729 | MOUNT | 4 | ||||||
| 6 | 12-845998 | WASHER, (.406 x 1.250 x .089) | 8 | ||||||
| 7 | 10-88552745 | SCREW, (M10 x 45) | 5 | ||||||
| 8 | 88535303S | BRACKET | 1 | ||||||
| 9 | 17-888517 | PIN | 1 | ||||||
| 10 | 57-880566Q14 | BELT, Drive | 1 | ||||||
| 11 | 10-88552785 | SCREW, (M10 x 85) | 1 | ||||||
| 12 | 12-4002319 | WASHER | 1 | ||||||
| 13 | 11-401386 | NUT, (M6) Stainless Steel | 1 | ||||||
| 14 | 84-856583A12 | CABLE ASSEMBLY | 1 | ||||||
| 15 | 84-858414A04 | CABLE ASSEMBLY, Brass, Braided | 1 | ||||||
| 16 | 10-88552516 | SCREW, (M6 x 16 MM) Stainless Steel | 2 | ||||||
| 17 | 12-29245 | WASHER, (.281 x .500 x .060) Stainless Steel | 1 | ||||||
| 18 | 54-828991T | CLIP | 3 | ||||||
| 19 | 37-8M0096285 | DECAL, Notice Belt Replace | 1 |


