Your shopping cart is currently empty.
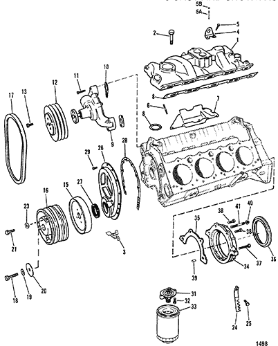
5.7L GM 350 V-8 1988-1995 - Serial 0B525982 Thru 0F600999 - Intake Manifold And Front Cover (Design II)
Other Sub-Sections:
- Alternator (Mando AR-150)
- Alternator (Mando AV155603)
- Alternator (Motorola 8MR2039K)
- Alternator (Prestolite 8EM2003KA)
- Audio Warning System
- Bodensee Parts
- Carburetor (Mercarb - 2 Barrel)
- Carburetor (Rochester - 4 Barrel)
- Carburetor (Weber)
- Carburetor-Throttle Linkage (2 Barrel)
- Carburetor-Throttle Linkage (Rochester - 4 Bbl)
- Carburetor-Throttle Linkage (Weber - 4 Barrel)
- Crankshaft And Flywheel
- Cylinder Block And Camshaft (Flat Rollers)
- Cylinder Block And Camshaft (Roller Lifters)
- Cylinder Head And Rocker Cover
- Distributor And Ignition Components
- Driveshaft Extension Components (Jackshaft Models)
- Electrical Components (Ign. Module Mounted On Distributor)
- Electrical Components (Ign. Module Mounted On Exh. Elbow)
- Engine Mounting (Cast Bracket)
- Engine Mounting (Stamped Bracket)
- Exhaust Manifold And Exh. Elbow (Stainless Steel Exh. Elb)
- Exhaust Manifold And Exhaust Elbow (Cast Iron Exh. Elbow)
- Exhaust System
- Flywheel Housing
- Fuel Pump And Fuel Filter
- Intake Manifold And Front Cover (Design I)
- Intake Manifold And Front Cover (Design II)
- Mercathode Components
- Oil Filter And Adaptor (0F114689 and Below)
- Oil Filter And Adaptor (0F114690 and Up)
- Oil Pan And Oil Pump
- Pistons And Connecting Rods
- Power Steering Components (Cast Mounting Bracket)
- Power Steering Components (Stamped Mounting Bracket)
- Sea Water Pump Assembly (Bravo)
- Sea Water Pump Ass'Y (Closed Cooling Sys-Jackshaft Mdls)
- Shift Bracket (Alpha Engines)
- Shift Bracket (Bravo Engines)
- Standard Cooling System (Design I)
- Standard Cooling System (Design II)
- Standard Cooling System (Design III - Alpha)
- Starter Motor (12 In.)
- Starter Motor (8 In. - 2-7-8 In. Dia. End Cap)(PG 260)
- Starter Motor (8 In. - 3-1-4 In. Dia. End Cap)(PG 200)
- Starter Motor And Alternator
| Ref. | OEM Part # | Hardin # | Mallory # | GLM # | Other # | Description | Num Req. | Superceded From | Special Notes |
| 1 | 17618T | MANIFOLD, Intake | 1 | 17618 | This Part is No Longer Available (4 BARREL) | ||||
| 1 | 17619 | MANIFOLD, Intake | 1 | This Part is No Longer Available (2 BARREL) | |||||
| 1 | 17620 | MANIFOLD, Intake | 1 | This Part is No Longer Available (4 BARREL - HI-RISE) | |||||
| 2 | 10-806681 | SCREW, (.375-16 x .875) | 9 | ||||||
| 2 | 10-802655 | BOLT (3/8-16 X 1-1/4 IN.) | 3 | 10-11975 | |||||
| 3 | 75435A1 | POINTER | 1 | ||||||
| 4 | 54-47512 | LIFTING EYE | 1 | ||||||
| 5 | 10-34354 | 700-22447 | SCREW, (.375-16 x 1.50) | 2 | |||||
| 5A | 16-806250 | STUD | 2 | ||||||
| 5B | 11-32219 | NUT, (.375-16) | 2 | ||||||
| 6 | N.S.S. | Not Sold Separate, STUD (GM#3959544) | 4 | 2 | |||||
| 7 | 72647 | GUARD | 1 | This Part is No Longer Available | |||||
| 8 | 27-17145 | 676-9-61200 | 700-30860 | GASKET SET | 1 | (Use RTV Silicone Sealant for end gasket - See Service Manual) 4 | |||
| 9 | 8503991 | PUMP ASSEMBLY, Water | 1 | 17437 | |||||
| 10 | 27-34897 | 676-9-60065 | 700-31380 | GASKET | 2 | 4 | |||
| 11 | 10-32132 | SCREW, (.375-16 x 1.750) | 2 | ||||||
| 11 | 10-47688 | SCREW, (.375-16 x 2.750) | 1 | ||||||
| 11 | 10-52200 | SCREW, (1.625 In.) (1-1/2 IN.) | 1 | No longer made, limited availability | |||||
| 12 | 15120T | PULLEY, (5.5 In. Diameter) (5-1/2 IN. DIA.) | 1 | This Part is No Longer Available | |||||
| 12 | 19692T01 | PULLEY, (7 In. Diameter) (7 IN. DIA.) | 1 | 19692T | |||||
| 13 | 10-47277 | SCREW, (.312-24 x .750) | 4 | ||||||
| 15 | 75420 | BALANCER | 1 | ||||||
| 16 | 90081A1 | PULLEY | 1 | (See Note) | |||||
| 17 | 57-93658Q | BELT, (44 Inch) | 1 | 57-49213A1 | (44 IN. - USE WITH 5-1/2 IN. DIA. REF. #12) | ||||
| 17 | 57-48120Q1 | V BELT, (46 Inch) | 1 | 57-48120A1 | (46 IN. - USE WITH 7 IN. DIA. REF. #12) | ||||
| 18 | 10-32515 | SCREW, (.437-20 x 2.50) | 1 | ||||||
| 19 | 13-39131 | LOCKWASHER, (.437) | 1 | ||||||
| 20 | 35332001 | WASHER | 1 | 12-35332 | |||||
| 21 | 10-53833 | BOLT, (.375-24 x 2.00) | 3 | ||||||
| 23 | WASHER | 3 | |||||||
| 24 | 35365 | SUPPORT | 2 | This Part is No Longer Available USE WHERE APPLICABLE | |||||
| 25 | 10-35366 | SCREW, (.250-20 x .563) | 2 | USE WHERE APPLICABLE | |||||
| 26 | 14249A2 | COVER | 1 | ||||||
| 27 | 26-97335 | 676-9-61610 | SEAL, Oil | 1 | 4 | ||||
| 28 | 27-14250 | 676-9-61600 | 700-30530 | GASKET | 1 | 4 | |||
| 29 | 10-35366 | SCREW, (.250-20 x .563) | 10 | ||||||
| 31 | 71920 | VALVE ASSEMBLY, Filter | 1 | 53338 | W/O REMOTE OIL FILTER | ||||
| 32 | 10-54786 | SCREW, (.312-18 x 1.250) | 2 | W/O REMOTE OIL FILTER | |||||
| 33 | 35-866340Q03 | 676-9-57825 | FILTER, Oil | 1 | 14957 | W/O REMOTE OIL FILTER | |||
| 34 | 14239 | RETAINER, Oil Seal (REAR) | 1 | ||||||
| 35 | 27-881715 | 676-9-61511 | GASKET | 1 | 27-14241 | 4 | |||
| 36 | 26-14240 | 700-85790 | SEAL, Oil (REAR) | 1 | 4 | ||||
| 37 | 10-8M0064241 | BOLT, (.250-20 x 1.750) | 1 | 10-14243 | |||||
| 38 | 10-14242 | BOLT, (.250-20 x .875) | 2 | ||||||
| 39 | 17-14263 | PIN, Dowel | 1 | ||||||
| 40 | 11-11996 | NUT | 1 | ||||||
| 41 | 16-14827 | STUD, (.250-20 x 2.180) | 1 | ||||||
| 42 | 10-49011 | SET SCREW, (.312-18 x .312) | 4 | This Part is No Longer Available |


