Your shopping cart is currently empty.
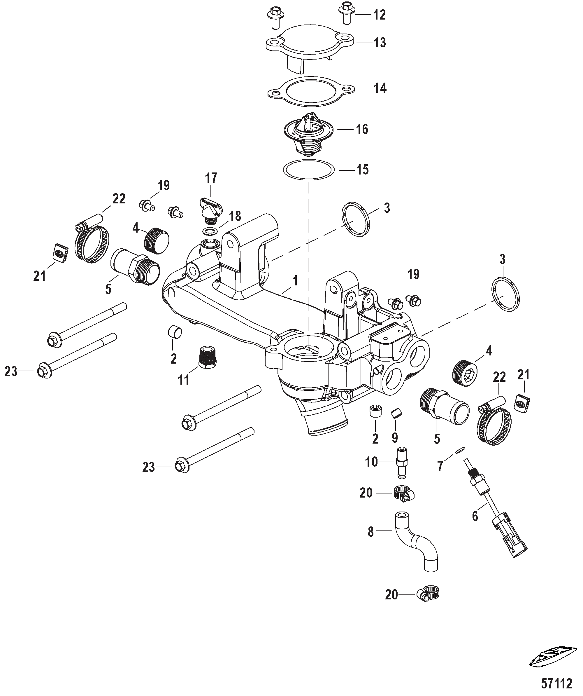
6.2L MPI 350 - 2A530776 and Up - Raw Water Cooling Crossover Assembly
Other Sub-Sections:
- Accessories
- Cylinder Block, Camshaft and Crankshaft
- Cylinder Head and Rocker Cover
- Electrical Components Bracket and Propulsion Control Module
- Electrical Components Starter, Alternator, and Coil Bracket
- Engine Mounts
- Exhaust Manifold and Elbow
- Exhaust System Components
- Flywheel and Coupler
- Fresh Water Cooling Cooling Hoses
- Fresh Water Cooling Crossover Assembly
- Fresh Water Cooling Heat Exchanger
- Fresh Water Cooling Sea Pump Hoses
- Front Cover and Circulating Pump
- Fuel Supply Module 2A575398 and Below
- Fuel Supply Module 2A575399 and Up
- Fuel Supply Module and Rail
- Harnesses
- Intake Manifold Assembly
- Jackshaft Components
- Maintenance Kits
- Mercathode Kit
- Oil Fill Tube
- Oil Pan and Pump
- Overhaul Gasket Set 6.2L
- Pistons and Connecting Rods
- Poppet Valve Assemblies
- Raw Water Cooling (Bravo) Sea Pump Hoses
- Raw Water Cooling Cooling Hoses
- Raw Water Cooling Crossover Assembly
- Remote Oil
- Sea Water Pump
- Service and Support Material
- Shift Bracket Bravo
- Shift Bracket Digital Throttle and Shift
- Steering System and Drive Lube Bottle
- Top and Front Covers
- Trim Pump and Motor Components
- Trim Pump Assembly
- Water Distribution Housing Air Actuated Drain
| Ref # | Part Class | Part Number | Description | Comments | Qty | Note |
| 1 | 0000 | 8M0107034 | CROSSOVER | 1 | ||
| 2 | 0022 | OEM: 525-22-73379, GLM: 700-22379 | PLUG (.250-18) | 2 | ||
| 3 | 0000 | OEM: 525-8M0081836 | SEAL | 2 | [1] | |
| 4 | 0022 | OEM: 525-22-428611, Sierra: 676-18-4265 | FITTING Pipe - Brass (.750-14) | 2 | ||
| 5 | 0022 | OEM: 525-22-866725, GLM: 700-13984 | FITTING Straight (.750-14) | 2 | ||
| 6 | 0000 | 885342002 | SENSOR ASSEMBLY | 1 | ||
| 7 | 0025 | OEM: 525-25-896699 | O-RING (1.78 mm x .08 mm) | 1 | ||
| 8 | 0032 | 8M0090430 | HOSE FSM to Crossover | 1 | ||
| 9 | 0022 | OEM: 525-22-390721 | PLUG Pipe (.125-27) Brass | 1 | ||
| 10 | 0022 | 8M0085864 | FITTING | 1 | ||
| 11 | 0022 | OEM: 525-22-32803, Sierra: 676-18-4264, GLM: 700-21894 | PLUG Pipe (.375-18) Brass | 1 | ||
| 12 | 0010 | 4009516 | SCREW (M8 x 16) | 2 | ||
| 13 | 0000 | OEM: 525-8M0073879 | CAP | 1 | ||
| 14 | 0027 | 8M0079167 | GASKET | 1 | ||
| 15 | 0027 | OEM: 525-27-806871 | GASKET | 1 | ||
| 16 | 0000 | OEM: 530-8M0089715, Sierra: 676-18-3551 | THERMOSTAT 60 Degree C (140 Degree F) | 1 | [2] | |
| 17 | 0022 | OEM: 525-22-806608A02, Sierra: 676-18-4226 | PLUG ASSEMBLY (.500-13) Blue | 1 | [3] | |
| 18 | 0025 | OEM: 525-25-26802, Sierra: 676-18-7180, GLM: 700-81110 | O-RING (.424 x .103) | 1 | ||
| 19 | 0010 | 8M2600010 | SCREW (M6x10) RWC Cover Bracket | 4 | ||
| 20 | 0054 | OEM: 525-54-815504105 | CLAMP Worm Gear (11-18 mm) | 2 | ||
| 21 | 0019 | OEM: 525-19-8M0074364 | CAP | AR | ||
| 22 | 0054 | OEM: 525-54-815504216 | CLAMP Worm Gear (1.56 Diameter) | 4 | ||
| 23 | 0010 | 40095110 | SCREW (M8 x 110) | 4 |
PART NOTES:
[1] - Component of Longblock Assembly [8M0114790]
[2] - Alternate part numbers:
807252Q 4QS Kit
807252T 4MPP Kit
8M0089715Service Part
[3] - Alternate part numbers:
806608A02Service Part
806608Q01QS


