Your shopping cart is currently empty.
275 VERADO 4-STROKE 6 CYL - Serial 2B144123 and Up - Adaptor Plate-Lower
Other Sub-Sections:
- Accessories
- Adaptor Plate Hose Routings
- Adaptor Plate-Lower
- Alternator/Belt Tensioner Mounting
- Charge Cooler/Intake Manifold
- Charge Cooler/Intake Manifold Hose Routings
- Cowl Latching
- Crankshaft, Pistons and Connecting Rods
- Cylinder Block
- Cylinder Head and Camshaft
- Decals - Top Cowl
- Driveshaft Housing
- Electrical Box Components
- Flywheel and Cover
- Fuel Filter Kits
- Fuel Supply Module
- Gear Housing, Driveshaft, 4.80 Torpedo
- Gear Housing, Prop Shaft - Std Rot, 4.80 Torpedo
- Gear Housing, Prop Shaft-Counter Rotation, 5.44 Torpedo
- Gear Housing,, Driveshaft, 5.44 Torpedo
- Ground Cable Kit(899712A01)
- Induction Components
- Lower Cowl
- Mercathode Kit
- Mount Cradle
- Oil Pump/Adaptor Plate-Upper
- Port Cylinder Block Components
- Power Trim Components
- Power Trim/Transom Assembly
- Powerhead Gasket Set Components
- Pump Kit-Power Steering(4 Thru 24 Feet)
- Rear Cowl
- Starboard Cylinder Block/Oil Cooler
- Starter Motor
- Steering Helm Kit-Standard (892557A02, 892380A02, 892558A02)
- SuperCharger
- Tools
- Top Cowl
- Upper Shift Components
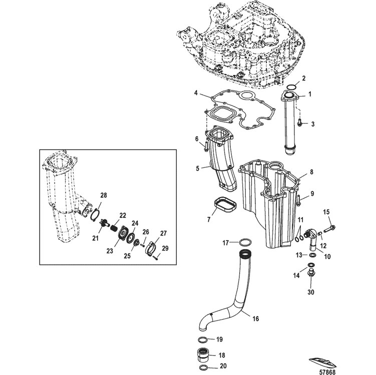
| Ref. | OEM Part # | Hardin # | Mallory # | GLM # | Other # | Description | Num Req. | Superceded From | Special Notes |
| 1 | 887623T03 | PICKUP ASSEMBLY, Oil | 1 | ||||||
| 2 | 25-8M0092943 | O-RING, Orange | 1 | ||||||
| 3 | 10-88552525 | SCREW, (M6 x 25 MM) Stainless Steel | 3 | ||||||
| 4 | 27-889618001 | GASKET, Oil Sump | 1 | ||||||
| 5 | 8M0080961 | TUBE ASSEMBLY, Exhaust | 1 | ||||||
| 6 | 10-88552635 | SCREW, (M8 x 35 MM) | 4 | ||||||
| 7 | 26-880629 | SEAL, Exhaust Tube | 1 | ||||||
| 8 | 880639T | SUMP ASSEMBLY, Oil | 1 | ||||||
| 9 | 10-88552530 | SCREW, (M6 x 30 MM) Stainless Steel | 12 | ||||||
| 10 | 887753A02 | TUBE ASSEMBLY, Oil Drain | 1 | ||||||
| 10 | 8M0082193 | TUBE ASSEMBLY, Oil Drain | 1 | ||||||
| 11 | 25-892446 | O-RING, (14 X 1.78 MM) | 2 | ||||||
| 12 | 17-892228 | PIN, Dowel | 1 | ||||||
| 13 | 25-8M0079733 | O-RING | 1 | ||||||
| 14 | 26-888593 | SEAL, Drain Plug | 1 | ||||||
| 15 | 10-88552530 | SCREW, (M6 x 30 MM) Stainless Steel | 1 | ||||||
| 16 | 32-885541A01 | TUBE ASSEMBLY, Water (20.00 Inch) | 1 | ||||||
| 16 | 32-885541A02 | TUBE ASSEMBLY, Water (25.00 Inch) | 1 | ||||||
| 16 | 32-885541A03 | TUBE ASSEMBLY, Water (30.00 Inch) | 1 | ||||||
| 17 | 25-892445 | O-RING | 1 | ||||||
| 18 | 22-887987A1 | COUPLING | 1 | ||||||
| 19 | 25-90196 | O-RING, (.921 x .139) | 1 | ||||||
| 20 | 25-21836 | O-RING, (.796 x .139) | 1 | ||||||
| 21 | 888913A01 | POPPET ASSEMBLY | 1 | ||||||
| 22 | 24-64878 | SPRING, (Black) | 1 | ||||||
| 23 | 893385001 | RETAINER | 1 | ||||||
| 24 | 648771 | DIAPHRAGM | 1 | ||||||
| 25 | 889706 | WASHER | 1 | ||||||
| 26 | 10-69570 | SCREW, (#10-16 x .750) | 1 | ||||||
| 27 | 893384001 | COVER, Poppet | 1 | ||||||
| 28 | 27-889561 | GASKET, Poppet | 1 | ||||||
| 29 | 10-88552535 | SCREW, (M6 x 35 MM) Stainless Steel | 2 | ||||||
| 30 | 888592005 | PLUG ASSEMBLY, Oil Drain | 1 | ||||||
| - | 27-880552A07 | GASKET SET, Powerhead | 1 | ||||||
| - | 61-896966A07 | ASSEMBLY, Long Block | 1 |


