|
|||||||
360° Product View
Note: 3D Models are large files and make take a while to load especially on slow connections. 3D Model display requires a modern smartphone or desktop computer. Older devices may have poor performance.
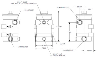
1-1/4" NPT HO Swirl-Away High Performance Sea Strainer
Marine sea strainers have become an integral part on every performance boat today. After years of catastrophic engine failures due to inadequate cooling systems, it is now recognized that any boat not equipped with a sea strainer is gambling with its engine life expectancy and destined for loss to an unprotected cooling system.
Sea strainers all perform a similar function, which is to sift or strain foreign objects before they reach and damage engine components such as intercoolers, water pumps, cylinder heads, and oil coolers. Each sea strainer has unique features so choose the one best suited to your needs.
It seems as though we usually find that no matter how great some products are there always seems to be some sort of shortcoming - until now. We have taken a relatively simple product and refined it to perfection. Many sea strainers just simply strain seaweed or debris from the raw incoming water,unfortunately use of these units is usually cumbersome due to the need for wrenches, poor accessibility, or flat filter screens that drop most of the debris when removed.
These "NEW" sea strainers have solved it all. Starting with the very best in 100% 316L premium grade stainless steel. The heart of these units is in their unique cone shaped strainer basket. This allows a greater strainer basket surface area than other brands, while the design of the basket actually grinds up debris in the process, almost acting as a self-cleaning type of unit.
Monitoring the sea strainer is a snap with the 100% Lexan lid (not cheap polycarbonate) which allows a clear view to inspect the unit. The Lexan lid will withstand water pressure spikes in excess of 100 PSI without failure. The best part is still the ease of use, just one hand will remove the large easy to grip knob, no wrenches, wing nuts or bolts used here. As the lid is removed the sealing O-ran is captured in the lid so you won't be searching for it like other units. The cone shaped strainer basket then slides out trapping all of the strainers contents, most units have anon-removable screen that you have scoop out by hand.
Each assembly features dual 1-1/4" NPT inlet and outlets along with a 3/4" NPT pressure relief port. A 360degree swivel bracket allows maximum mounting flexibility in all applications.




